AXEL JOOST ELEKTRONIK Elektronicbox Version B

1.749,00 DKK

Description

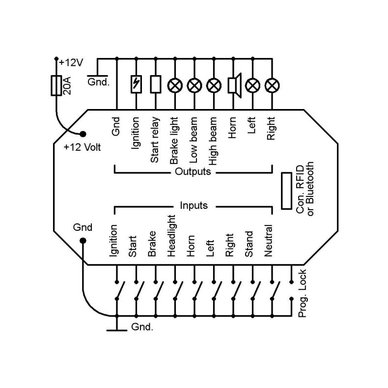
The B-Box is our response from some clients, who prefer an easy mechanical implementation of the control box in a bike and who don´t take care about a bit bigger size compare to our other devices. The B-Box can be controlled via an external RFID antenna as keyless go device or with the standard ignition switch. An optional bluetooth module allows the complete control of your bike via your smart phone. 8 implemented status led´s allow a fast check while the installation or the adjustment of the different functions. A 20 Ampere inline fuse in the main line is integrated. However, the outputs are short circuit protected and self resetting.

 

 

Functions:

  • Ignition (with or without side stand switch control)
  • Starter (with or without neutral switch control)
  • Headlight with button or switch control
  • Direction indicators with buttons or switches
  • Brake light with or without dim option
  • Horn
  • Part#: 917230 Color: Black Height mm: 36 mm Length mm: 92 mm Voltage: 12 V Unit: Each Width: 50 mm Material: ABS
Model/Varenr.: 954136 m / 917230 c
stk.

Kunder der har købt dette produkt har også købt

Styreboxe, M-unit, Blink relæer & Arb. relæer